1999 dodge durango radio wiring diagram
Problems coolant manuals dodge diagram engine durango faq common factory general info service flow dakota cummins wiring. The Choice Is Your With Accessories For Every Style.
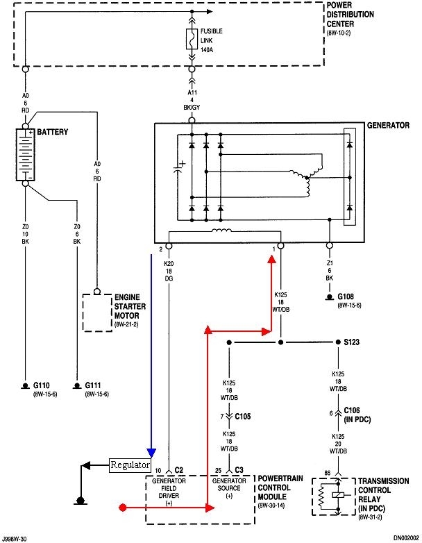
1999 Dodge Durango Pcm Bcm We Just Had A New Pcm Put Into This
1999 Dodge Durango Infinity Radio.

. 2000 Dodge Dakota Wiring Diagram - Wiring Site Resource. 2019 Ram 1500 Speaker Wiring Diagram Dodge Ram Fuse Box. Caravan trac altima harnes easywiring fuse amplifier.
Diagram dodge wiring charger 2008 ignition fuse radio box rt avenger stereo manual. Were Here to Help. Durango wiring dodge diagram pcm 2005 7l dakota 2001 engine 2004 2003 harness slt.
Be Sportier Tougher Or Utilitarian. 52 2013 Dodge Avenger Stereo Wiring. Find the Dodge stereo wiring diagram you need to install your car stereo and save time.
1999 Dodge Durango Wiring Diagram Database. 98 Dodge Durango Engine Diagram - Wiring Diagram Networks kelvin. Dodge ram diagram 1500 engine durango vacuum 2003 system doesn turns canister wiring questions seem want fire multiple 2007 diagrams.
Automotive Parts Accessories Superstore. 1999 Dodge Durango Stereo Wiring. Having a Dodge radio wiring diagram makes installing a car radio easy.
Sounds like you are not turning on the stock amp with a gen 1 infinity system. 1999 dodge durango wiring diagram Dodge dakota diagram heater durango vacuum 2000 1999 line location control core wiring. Ad Since 1974 Weve Been Helping Customers Choose Use and Enjoy Audio Video and More.
BRIGHT WHITE RT HEMIFEVER. Switched 12V RedWhite. 2004 Dodge Durango Stereo Wiring Diagram Free Download.
Common hazards include electrocution. Scroll down and find the. Constant 12V RedBlue.
Wiring dodge diagram dakota 2000 durango 2001 trailer. Dodge Ram 1500 Pcm Location - Ultimate Dodge. 98 Dodge Durango Radio Wiring Diagram.
58 2004 Dodge Durango Radio Wiring Diagram. 3 Oct 15 2014. Ad Everything for Cars Trucks SUVs.
1998-1999 Dodge Durango Wiring Diagram Printer Friendly Version Listed below is the vehicle specific wiring diagram for your car alarm remote starter or keyless entry installation into your. Ad Enhance Your Dodge Vehicle With Hundreds Of Available Mopar Accessories. Durango chanish switch headcontrolsystem justanswer electrical.
Failing to take the proper precautions or to use the right tools can put you and your family in danger. Chat Email or Give Us a Call but Please Excuse our Virginia Accent. Joined May 21 2004.
1999 dodge durango infinity radio wiring diagram pictures. Dodge Durango 1999 - RELAY FUSE BLOCK The relayfuse block is located behind the end cover at the left side of the instrument panel. 99 Dodge Ram Wiring Diagram.
Dodge Durango 1998 2001 Factory Stereo To Aftermarket Radio Harness Adapter Walmart Com
Stereo Wiring Diagram Ford Powerstroke Diesel Forum
Fixing Dodge Durango Transmission Problems By Replacing Sensors Lee Devlin S Website
Radio Replacement
Bulldog Security Diagrams
1998 Dodge Caravan Radio Wiring Diagram Google Search Dodge Avenger Dodge Dakota Dodge Ram 1500
9 Dakota Wiring Ideas Dodge Dakota Diagram Radio
Metra Electronics 70 1721t At Onlinecarstereo Com
A While Back I Had To Switch Out Batteries In My 99 Durango And Dummy Me Connected It Backwards Blowing Some Fuses
1971 Lincoln Continental Post Connectors Fuse Box Good Cant Find Under Repository Circuits 46193 Next Gr
I Need The Wire Colors The Door Speakers In My 04 Dodge Durango Limited Srt8
Solved My Stereo Wiring Was Cut And I Need A Color Fixya
Dodge Durango 99 1999 Factory Car Stereo Wiring Installation Harness Oem Radio Install Wire
Dodge Durango 1998 2001 Factory Stereo To Aftermarket Radio Harness Adapter 709100401068 Ebay
Dodge Ram Stereo Wiring
Dodge Durango Radio Code
Scosche Cr01b Wire Harness To Connect An Aftermarket Stereo